Regenmesserheizung (bei mir WS-2300)


von Hr. Dr. Jürgen Wolf  -  drjuergen.wolf@t-online.de

 

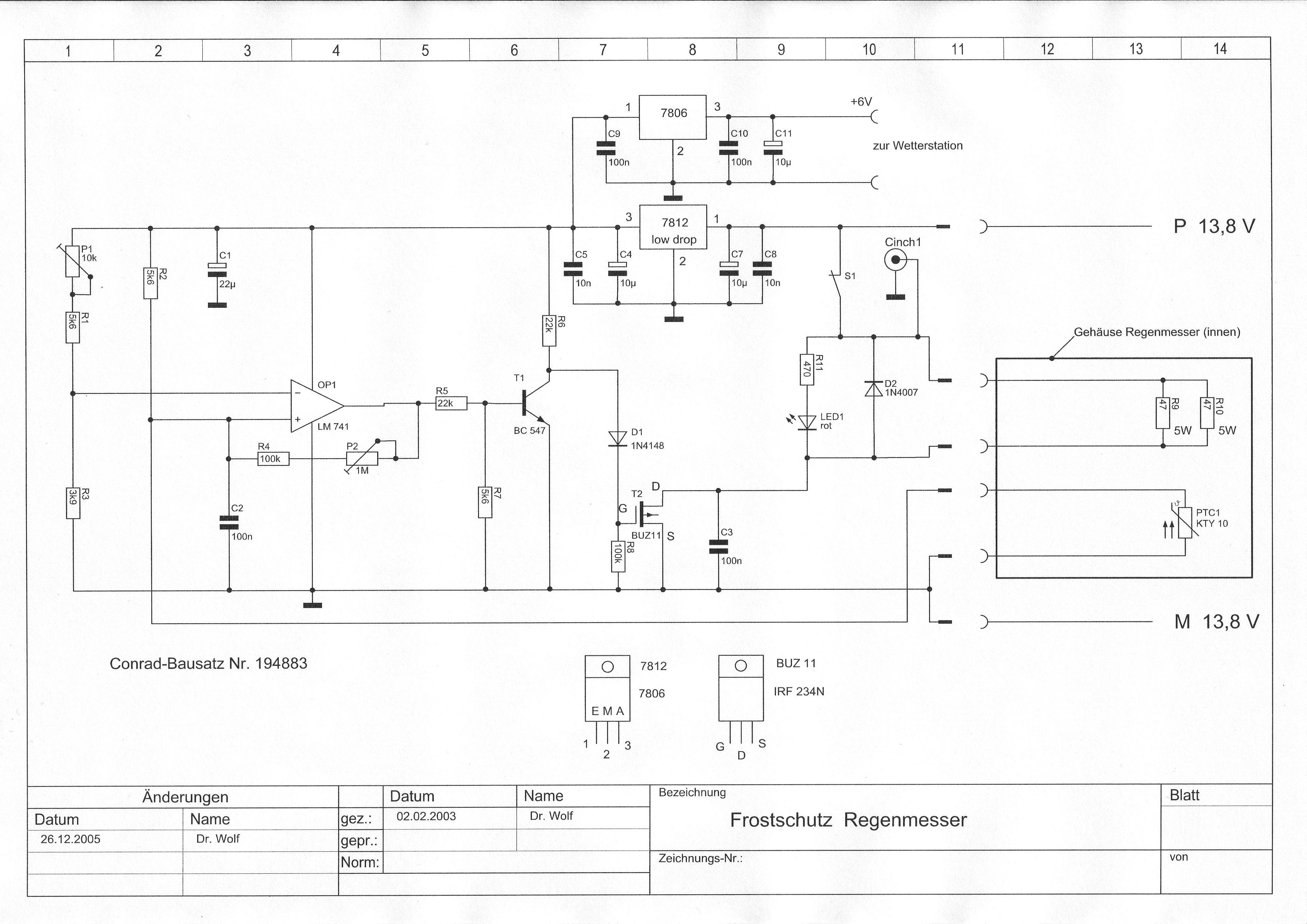
Basis ist der Conrad-Bausatz Best.Nr. 19 48 83, OHNE Vertauschen der Eingänge 2 und 3 des IC 1!!

Sehr zu empfehlen ist die Stabilisierung der Versorgungsspannung der Regelschaltung und deren Entkopplung vom Leistungsteil. Ich verwende als Heizwiderstände 2-mal je 47 Ohm, 5 Watt Zementwiderstände vom Conrad, in dieser Schaltung zusammen maximal ca. 8 Watt. Das hat bei mir ohne Styropor-Isolierung des Regenmessergehäuses bis ca. –8 Grad Celsius gereicht.

Den Temperaturfühler habe ich im Gehäuse oberhalb der Wippe angebracht, so dass die Lufttemperatur geregelt wird. Die Solltemperatur habe ich auf ca. +5 Grad Celsius eingestellt.

Die Elektronik ist bei mir im Keller neben der WS-2300 untergebracht und wird aus Solarbatterien gespeist (13,8 Volt). Zusammen mit dem 6-Volt-Regler, angeschlossen an die stabilisierte 12-Volt-Spannung, kann ich damit die WS-2300 an der Batterie betreiben.

Natürlich kann auch ein entsprechendes Steckernetzteil eingesetzt werden.

Verkabelt wurde mit 4x 0,8 mm*mm Klingelleitung (10m Länge). Bei größeren Längen und/oder größeren Heizströmen sollten größere Kabelquerschnitte verwendet werden.

 

Umbauanleitung:

1.        Man entferne das Relais, Diode D1 und Widerstand R6 und füge R8 (22kOhm) anstelle von D1 ein.

2.        Man baue auf einer Lochrasterplatine D2, D3, T2 und, wenn gewünscht Rote LED mit 470 Ohm zur Heizungsanzeige (LED=an, Heizung ist an), ein und verbinde diese wie angegeben mit der Platine.

3.        D3 dient zur Unterdrückung etwaiger induktiver Spitzen (Kabelinduktivität), ebenso die 100nF parallel zu Drain und Source des T2

4.        S1 dient zur Heizungsabschaltung

5.        Die stabilisierte 12-Volt-Spannung verbessert die Regelung erheblich. Die Heizwiderstände dürfen nicht an die geregelte 12-Volt-Spannung angeschlossen werden!

6.        Entsprechend der Stromaufnahme der Heizwiderstände sollte noch eine Sicherung am 13,8-Volt-Anschluss vorgesehen werden.

7.        Die Heizwiderstände je 47Ohm, 5 Watt im Gehäuse montieren mit möglichst wenig Kontakt zum Gehäuse. Die Luft im Gehäuse soll erwärmt werden.

8.        Die Regelelektronik sollte innerhalb des Hauses untergebracht werden.

 

Vorteile dieser Schaltungsänderung:

 

1.        Genauigkeit verbessert durch Stabilisierung der Elektronikspannung und Wegfall des Relais.

2.        Kein Kontaktverschleiss durch Einsatz eines FET mit geringer Drain-Source-Restspannung (Ein-Widerstand ca. 0,04 Ohm).

3.        Kein Relais-Klackern, daher geräuschlos.

4.        Regelung der Luft-Innentemperatur des Regenmessers, dadurch auch weniger Energieverbrauch.

5.        Die ursprüngliche Rückkopplungslogik (Pin 2 und 3 des IC 1) bleibt erhalten, dadurch verbessertes Schaltverhalten.


Nachteile dieser Änderung:

 

1.        Die Schaltung ist nicht mehr potenzialfrei!! Masse, bzw. Minus, ist das Bezugspotenzial auch der Heizspannung.

2.        Der höhere Verkabelungsaufwand wegen gesondert zu führender Adern für Sensor und Heizung.

3.        Die Solltemperatur muss auf ca. +5 Grad Celsius eingestellt werden, damit der Schnee auch tauen kann.

4.        Die Verdunstung des bereits auf der Wippe vorhandenen Wassers wird begünstigt.

 

Noch zu testen wäre:

 

1.        Ein oder zwei zusätzliche Heizwiderstände. Dabei sollte m.E. der Einzelwert nicht unter die 47 Ohm reduziert werden, da es sonst zu lokalen Überhitzungen und ggf. Schmelzen des Gehäuses kommen kann.

2.        Isolation des Regenmessergehäuses mittels Styropor o.ä.

3.        Im Sommer sollten die Heizwiderstände abgeschaltet werden (Sicher ist sicher!).

 

Abschließend der Hinweis, dass ich für Druck- und Schaltungsfehler keinerlei Haftung übernehme!

 

Nachtrag W. Krenn:

die Heizleistung der Widerstände bei 13,8 V beträgt ca. 2x 4W.

Für andere Wetterstationen (WMR918/ELV/Davis) wird mindestens eine Heizleistung von 16W benötigt
(meine persönliche Erfahrung!).