zu der Station des Herstellers Mebus (original wahrscheinlich Honeywell, lizensiert Hideki, Mebus) wurde ja schon einiges im "wetterfreaks"-Forum geschrieben.
Da die Hardware soweit keinen Grund zur Klage gibt, die Software jedoch sehr zu wünschen läßt, habe ich nun noch ein paar WsWin-spezifische Fragen:
Stand der Dinge:
Die mitgelieferte Software ist Mist. Allerdings kann sie wenigstens eins: die Daten beim Start automatisch aus der Station rauslesen und im Klartext abspeichern.
Mittels Excel und VBS Scripting kann ich inzwischen automatisch daraus ein *.csv für die WsWin-Dateiüberwachung erstellen. Zum endgültigen Test fehlt mit nun noch ein wirklich voller Datenspeicher der Station, damit ich das Verhalten bei Speicherüberlauf sehen kann, aber so lange habe ich die Station noch nicht.
Jetzt habe ich noch ein paar Fragen zu "Add-ons"
Die Station gibt Werte für UV-Index und Windböen aus..
WsWin mit Interface VantagePro kann damit als Sensorwerte 41 und 45 etwas anfangen.
Ich weiss jedoch nicht, ob ich mir durch die Einstellung "Interface VantagePro" andere Probleme bzgl. Konvertierung irgendwelcher Messwerte einhandele.
Daher konkret die Frage an die WsWin Experten:
Werden die Daten, die mittels Dateiüberwachung als *.csv eingelesen werden in der Einstellung "Interface" ->"VantagePro" (mit "ohne Interface" angehackt) anders behandelt als bei Einstellung "Wetter-Sensor"
Gibt es da irgendwelche vorgeschalteten Konvertierungen im WsWin, die VantagePro spezifisch sind (Kalibrierung von Regen o.ä.)?
Noch eine Frage:
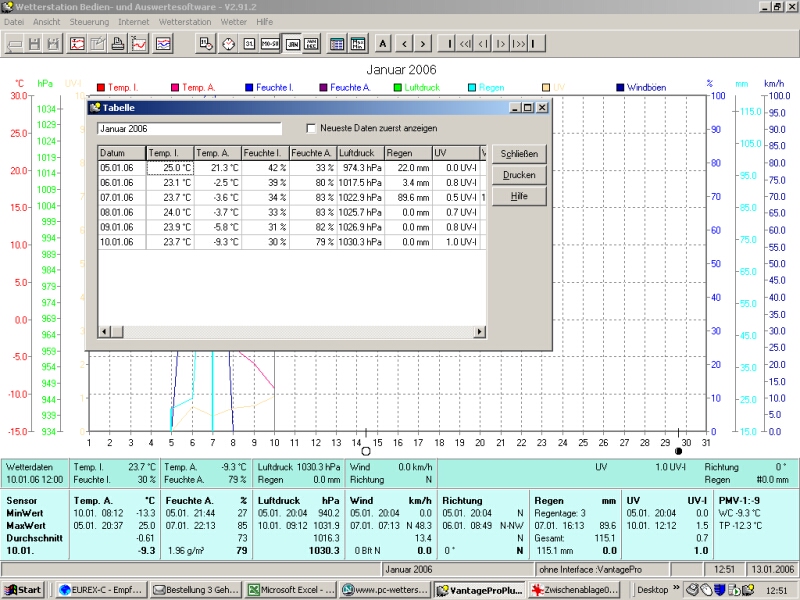
Speziell mit dem UV-Index habe ich noch ein Problem in den unterschiedlichen Diagrammansichten (zugehörige Tabelle jeweils zum Zeitpunkt 10.01.06 mittags in Screenshot eingblendet:
Tagesansicht:
http://www.pieverling.de/wetter/tag.jpg
UV-Index wird angezeigt, Werte entsprechen den importierten Daten der Station
Wochenansicht:
http://www.pieverling.de/wetter/woche.jpg
UV-Index wird nicht angezeigt, Tabellenwerte sind (wohl von WsWin absichtlich) auf volle Stundenwerte und bei UV alle Werte 0.
Monatsansicht:
http://www.pieverling.de/wetter/monat.jpg
UV-Index wird angezeigt, Werte für UV vorhanden (wohl irgendwie gemittelt oder Maximalwert o.ä.)
Nun die Frage:
Warum beeinträchtigt die Zeitsetzung auf volle Stunden bei der Wochenansicht nur den Messwert UV? Alle anderen Messwerte werden auch im Stundentakt erhoben und bei Ihnen tritt das Verhalten nicht auf.
Ist das ggf. konfigurierbar?
Vielen Dank vorab
Bye pivili